M4-M20
Ostatnio przeglądane
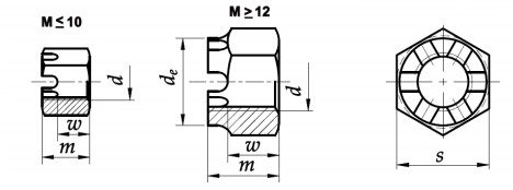
Nakrętka sześciokątna koronowa z...
Średnica Rozmiar | M4/7 | M5/8 | M6/10 | M8/13 | M10/17 | M12/19 | M14/22 | M16/24 | M18/27 | M20/30 |
Wybierz |
Nowy produkt
Nakrętka sześciokątna koronowa z gwintem metrycznym DIN 935 stal kl.10 bez pokrycia
Ostatnie egzemplarze!
Data dostępności: 2025-10-22
Nakrętka sześciokątna koronowa spełniająca normę DIN 935 kl.10 bez pokrycia
.jpg)
| d | M4 | M5 | M6 | M8 | M10 | M12 | (M14) | M16 | (M18) | M20 |
| d | - | - | - | M8x1 | M10x1 | M12x1,25 | (M14x1,5) | M16x1,5 | (M18x1,5) | M20x1,5 |
| d | - | - | - | - | M10x1,25 | M12x1,5 | - | - | (M18x2) | M20x2 |
| P | 0,7 | 0,8 | 1 | 1,25 | 1,5 | 1,75 | 2 | 2 | 2,5 | 2,5 |
| m max=nom | 5 | 6 | 7,5 | 9,5 | 12 | 15 | 16 | 19 | 21 | 22 |
| m min. | 4,7 | 5,7 | 7,14 | 9,14 | 11,57 | 14,57 | 15,57 | 18,48 | 20,16 | 21,16 |
| w min. | 2,9 | 3,7 | 4,7 | 6,14 | 7,64 | 9,64 | 10,57 | 12,57 | 14,57 | 15,57 |
| w max. | 3,2 | 4 | 5 | 6,5 | 8 | 10 | 11 | 13 | 15 | 16 |
| de max. | - | - | - | - | - | 17 | 19 | 22 | 25 | 28 |
| de min. | - | - | - | - | - | 16,57 | 18,48 | 21,48 | 24,3 | 27,3 |
| s nom | 7 | 8 | 10 | 13 | 17* | 19*/18** | 22 | 24 | 27 | 30 |
| d | (M22) | M24 | (M27) | M30 | (M33) | M36 | (M39) | M42 | (M45) | M48 |
| d | (M22x1,5) | M24x2 | (M27x2) | M30x2 | (33,x2) | M36x3 | (39x3) | M42x3 | (M45x3) | M48x3 |
| d | (M22x2) | - | - | - | - | - | - | - | - | - |
| P | 2,5 | 3 | 3 | 3,5 | 3,5 | 4 | 4 | 4,5 | 4,5 | 5 |
| m max=nom | 26 | 27 | 30 | 33 | 35 | 38 | 40 | 46 | 48 | 50 |
| m min. | 25,16 | 26,16 | 29,16 | 32 | 34 | 37 | 39 | 45 | 47 | 49 |
| w min. | 17,57 | 18,48 | 21,48 | 23,48 | 25,48 | 28,48 | 30,28 | 33,38 | 35,38 | 37,38 |
| w max. | 18 | 19 | 22 | 24 | 26 | 29 | 31 | 34 | 36 | 38 |
| de max. | 32 | 34 | 38 | 42 | 46 | 50 | 55 | 58 | 62 | 65 |
| de min. | 31 | 33 | 37 | 41 | 45 | 49 | 53,8 | 56,8 | 60,8 | 63,8 |
| s nom | 32* | 36 | 41 | 46 | 50 | 55 | 60 | 65 | 70 | 75 |
O FIRMIE
Ponad 10 lat doświadczenia na rynku hurtowni śrub pozwala nam łączyć bogatą wiedzę teoretyczną z latami wdrażania nowoczesnych technik i materiałów wykorzystywanych do tworzenia naszych wyrobów. Dzięki temu możemy zaoferować Państwu profesjonalne doradztwo techniczne w zakresie wyboru towarów. Więcej informacji
INFORMACJE
DODATKOWE
KONTAKT

| Informujemy, iż nasz sklep internetowy wykorzystuje technologię plików cookies a jednocześnie nie zbiera w sposób automatyczny żadnych informacji, z wyjątkiem informacji zawartych w tych plikach (tzw. „ciasteczkach”). |